汽車制造
1:基本概念:
1)? 刀具號
????? 刀具號是指裝在刀庫刀套中或者被安放在主軸上的刀具被用戶自定義的ID號,該號碼在同一刀庫中是唯一的,用戶可以在數控系統刀庫刀補功能中選擇刀庫表進行編輯。
????? 在系統中當前主軸上的刀具號在刀庫表0位置,0號刀具號默認表示空刀,0號位置映射的是B188寄存器,所以當前主軸上的刀號對應的斷電寄存器是B188所存的值。
????? 刀具號可以任意定義,除了保持唯一性和不要超過最大的刀具號定義范圍就可以。

?
2)? 刀套號
??????刀套號其實指的就是刀庫表中的位置號,每一個刀具號都唯一的對應著一個刀套號。在進行了機械手交換刀動作以后,該對應關系將發生改變,但對應關系仍然保持唯一。
??????刀庫的最大容量由最大刀套數量來設定。
??????刀套號對應的斷電寄存器由B698開始,換言之,刀套號1中所存的刀具號將保存在B698寄存器中,以此類推。
3)? 刀位號
????? 刀位號是指當前刀庫停在換刀缺口上的那把刀的刀套號。在旋轉刀庫找刀的時候需要該數據進行數值計算。
????? 刀位號對應的斷電寄存器是B189。
4)? 最大刀套數量
????? 最大刀套數量是用來定義刀庫的最大容量的數值。該數值由B187斷電寄存器設定。
5)? 機械手原始位
??????換刀開始或換刀完成時,機械手所停止到的安全位置。在該點會有機械上的傳感器信號,通常稱之為刀臂原點信號。
6)? 機械手扣刀位
????? 機械臂扣緊刀具的位置,在該位置會有扣刀刀位信號和機械手剎車信號。
7)? 機械手交換位
????? 機械臂拉出刀具并進行180度旋轉并上升插回刀具后停止的位置。在該位置會有扣刀到位信號和機械手剎車信號。
?
2:機械手動作基本流程
?????? 機械手動作基本流程可以分解為選刀過程和換刀過程,選刀動作必須在換刀動作之前完成。選刀動作主要是負責選取指定的刀號的刀具,旋轉刀庫到指定刀具位置,然后等待換刀動作開始。換刀動作主要負責將刀庫上選定的刀具和主軸上的刀具進行交換的動作。


?
3:換刀用戶自定義循環G代碼程序
IF [#190188 EQ #100111]
G[#1]????????????????; 恢復進循環之前模態值
G[#2]
M99
ENDIF
M60?????????????????? ;換刀開始標記
M61?????????????????? ;換刀檢查
G91G30P2Z0?????;定位到換刀位置(機床第二參考點)
M33 ??????????????????;第二參考點到位檢查??????????????
M19???????????????????;主軸定向開
G4P300
M68???????????????????;倒刀
G4P500
M63?????????????????? ;扣刀
G4P500
G4P500
M66?????????????????? ;交換刀
G4P500
M13???????????????????;刀具緊
G4P500
M65???????????????????;回原位
M72?????????????????? ;換刀寄存器復位
G04P200
M20???????????????????;主軸定向關
M69?????????????????? ;換刀結束??
注意:?
#190188表示的是B188寄存器的值;
#100111表示的是R111寄存器的值。
IF [#190188 EQ #100111]
G[#1]???????????????? ; 恢復進循環之前模態值
G[#2]
M99
ENDIF
該程序段的意思是當兩個寄存器的值相等,則表示當前所選刀與當前主軸上的刀號相同,不進行換刀。
?
4:刀庫主要功能
1:主要M代碼
|
功能 |
M代碼 |
結束條件 |
|
正轉一個刀位 |
M10 |
正轉一個刀位到指定刀套號 |
|
反轉一個刀位 |
M11 |
反轉一個刀位到指定刀套號 |
|
自動松刀 |
M12 |
松刀到位信號 |
|
自動緊刀 |
M13 |
緊刀到位信號 |
|
主軸定向 |
M19 |
置主軸定向標記G402.12(主軸為5號軸) |
|
取消主軸定向 |
M20 |
主軸定向完成標記F403.8(主軸為5號軸) |
|
刀具范圍檢查 |
M32 |
刀套號應該滿足??? 0 |
|
第二參考點檢查 |
M33 |
第二參考點刀位信號F160.8 |
|
第三參考點檢查 |
M34 |
第三參考點刀位信號F160.9 |
|
換刀檢查 |
M61 |
刀具夾緊狀態,刀套在回刀位,刀臂處于原始位 |
|
換刀起始標記?? |
M60 |
換刀允許 |
|
機械手動作步驟1 扣刀 |
M63 |
機械手完成第一步扣刀動作 |
|
機械手動作步驟2 交換刀具 |
M66 |
機械手完成第二步交換刀動作 |
|
機械手動作步驟3 回原始位 |
M65 |
機械手完成回原始位動作 |
|
刀套倒下 |
M68 |
倒刀確認信號 |
|
刀套回位 |
M69 |
回刀確認信號 |
|
換刀結束標記 |
M72 |
換刀結束,換刀不允許 |
2:M代碼的梯形圖實現
M10
M11


M12? 自動松刀
M13? 自動緊刀?



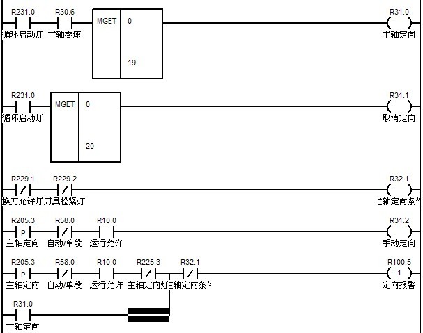
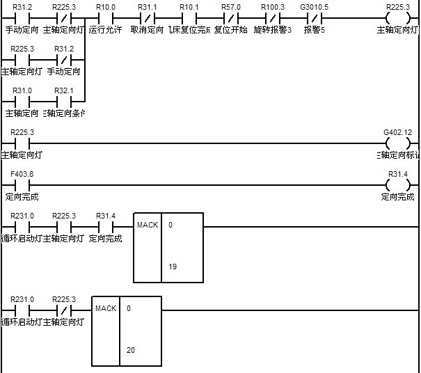
M19? 自動主軸定向開始
M20 自動主軸定向結束


????? 主軸定向功能可以通過M代碼開始,也可以通過手動方式下面板的按鍵開始。定向的開始條件為主軸轉速必須處于零速度。主軸定向開始時將通過置主軸定向標志G402.12,定向完成以后通過清除該標志來取消定向,以便下一次定向的開始。如果換到松緊燈亮時,不允許主軸定向,否則報警。